Qingdao Ruichen Sealing Technology Co., Ltd.
Qingdao Ruichen Sealing Technology Co., Ltd.
Izdelki
X

PTFE vzmetna čelna tesnila

Dobrodošli pri nakupu Ruichenovega RC2876, PTFE vzmetnega čelnega tesnila, ki je primerno za aplikacije statičnega tesnjenja z enosmernim pritiskom, kot so aksialna (čelna stran) in prirobnična tesnila. Lahko se uporablja v aplikacijah, kjer je površinska hrapavost manj kot idealna. Imamo zmogljivosti za raziskave in razvoj, inovacije in proizvodnjo tesnil, zaradi česar smo zanesljiv dobavitelj.

Tesnilo RC2876 je sestavljeno iz vzmeti iz nerjavečega jekla in visoko zmogljive plastike.  Vzmet iz nerjavečega jekla je lahko v obliki črke V ali O. Pri uporabi RC2876-B je treba izbrati ustrezen elastomerni material.

 

Veljavni pogoji delovanja (ekstremne vrednosti se ne smejo pojaviti hkrati)

Tlak (MPa)

Hitrost (m/s)

Temperatura (°C)

Srednje

RC2876

RC2876-B

-

RC2876

RC2876-B

Vse tekočine, kemikalije in plini

<40

<80

-200~+250

-35~+250

Izbira materiala

1. Priloženi materiali za O-tesnila so lahko izbrani med: R01 Nitrilni kavčuk (NBR), R02 Fluorkavčuk (FKM) itd.

2. Materiali tesnilnih obročev: PTFE1, PTFE2, PTFE3, PTFE4, UPE, PK1, PK2 itd.

3. Vzmeti iz nerjavečega jekla lahko izbirate med vzmeti v obliki črke O in vzmeti v obliki črke V.


Primer naročila

RC2876-40-PTFE4+V:  Zunanji premer notranjega tlačnega utora je 40, material tesnilnega obroča je PTFE4, vzmet je vzmet v obliki črke V.

RC2876-B-40-PTFE4+R02: Zunanji premer notranjega tlačnega utora je 40, material tesnilnega obroča je PTFE4, ustrezni O-obroč je izdelan iz fluorokavčuka.

Opomba: Če je potreben razširjen obseg, uporabite serijsko številko.

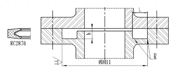
Tabela specifikacij (na voljo so vse specifikacije v območju parametrov)

Serijska številka

Serijska številka

Standardni obseg

DH11

Razširjen obseg

DH11

Globina utora

h-0,05

Širina utora

L+0,2

Zaobljeni vogali

Rmaks

RC2876-0

RC2876-B-0

10~13.9

10~40

1.45

2.4

0.4

RC2876-1

RC2876-B-1

14~24.9

13~200

2.25

3.6

0.4

RC2876-2

RC2876-B-2

25~45,9

18~400

3.1

4.8

0.6

RC2876-3

RC2876-B-3

46~124,9

28~700

4.7

7.1

0.8

RC2876-4

RC2876-B-4

125~999,9

45~1000

6.1

9.5

0.8

RC2876-5

RC2876-B-5

≥1000

≥100

9.5

15.0

0.8

 

Hot Tags: PTFE vzmetna čelna tesnila
Pošlji povpraševanje
Kontaktne informacije
Pridobite konkurenčne cene, tehnično podporo in hitre odzive. Pošljite svoje specifikacije Ruichen za prilagojene rešitve za tesnjenje. Brezplačni vzorci na voljo.
X
Piškotke uporabljamo, da vam ponudimo boljšo izkušnjo brskanja, analiziramo promet na spletnem mestu in prilagodimo vsebino. Z uporabo te strani se strinjate z našo uporabo piškotkov. Politika zasebnosti
Zavrni Sprejmi