Naša serija RCS s profesionalno oblikovalsko in tehnično proizvodnjo ustreza raznolikim potrebam pečatov za vrtenje batnih palic, ki zagotavlja natančne rešitve od splošnih scenarijev do skrajnih delovnih pogojev.
Glede na konstrukcijsko zasnovo so osnovni modeli osredotočeni na stabilnost in enostavnost uporabe: RCS101/103 izboljšuje vdelavo stabilnosti s prednajdinimi O-obroči ali pomožnimi ustnicami, zlasti za kratke udarce; RCS102/104R/117R podpira večje tlake z optimizacijo združljivosti materiala in utora (na primer RCS102R za standardne scenarije z visokim pritiskom). Za pnevmatske sisteme RCS105/205 sprejme posebno zasnovo ustnic za vzdrževanje mazalnega naftnega filma in se prilagaja mazanju/ne-lubricijskem okolju.
Ruichen Seals se osredotoča tudi na materialne in funkcionalne inovacije. Modeli, kot so RCS118/119/124-129, uporabljajo politetrafluoroetilen (PTFE) ali poliuretan kot glavno telo, v kombinaciji z Mander Springs ali O-obroki za uravnoteženje, da dosežemo nizko trenje, nošenje proti suhi in korozijsko odpornost, srečanje s čiščenjem in visoko temperaturno odpornostjo. RCS129 lahko tvori tesnilni sistem z RCS101, ki je primeren za sprehajalne stroje in težko hidravlično opremo; RCS126-128 optimizira tesnjenje z nizkim tlakom z asimetričnim V-deli in je prilagojen farmacevtskim in kemijskim industrijam.
Za zapletene delovne pogoje imajo RCS120/138 in druga tesnila z dvojnim delovanjem integrirana zasnova nosilca obroča, ki je odporna na visok tlak in popačenje in se prilagaja kompaktnim utorom; RCS131 je nadomestek O-obroča, ki je odporen proti ekstrudiranju in kemični odpornosti in je postal prednostna izbira za hrano in farmacevtsko industrijo. In RCS116/216 lahko hitro popravijo stare jeklenke z namestitvijo napeljave, da zmanjšajo stroške izpadov.
Serija RCS pomaga strankam, da se spopadejo z visokim pritiskom, veliko hitrostjo, korozivnimi mediji in posebnimi industrijskimi izzivi ter izboljšajo zanesljivost in življenjsko dobo opreme.
Funkcije in aplikacije izdelka:
Tesnila za vrtenje batnih palic so primerna za hidravlične jeklenke in jeklenke, inženirska vozila, kmetijske stroje, žerjave in morsko hidravlično opremo, obdelovalna orodja.
Uporablja se v težkih industrijskih strojih, stiskalnicah, kemični industriji, jeklenkah s hitro nafto in pozicioniranjem strojev za prehrano, farmacevtska industrija.
Prednosti
Tesnila za vrtenje batnih palic so stabilno vgrajena v utor, s širokim temperaturnim območjem, odličnimi statičnimi in dinamičnimi tesnjenjem ter močno sposobnostjo preostalega olja v dinamičnih pogojih. Nizko trenje, brez plazenja, visoka odpornost proti obrabi, nizke statične in trenja, le dobra zmogljivost proti ekstruziji, dobra toplotna prevodnost in široko temperaturno območje.
Primerno za stare batne palice, odprt tip enostavno namestiti lezenje.

RCS101
Velikost naročila
Φd ...... Zunanji premer
Φd ...... notranji premer
L ...... Groove širina
| Površinski zaključek | R tmax (μm) | Ra (μm) |
| Drsna površina, ki ustreza gumijastim/poliuretanskim tesnilom Drsna površina, ki ustreza PTFE tesnilom | ≤2.5 ≤2 | ≤0.1-0.5 ≤0.05-0.3 |
| Utor dno Groove stran | ≤6.3 ≤15 | ≤1.6 ≤3 |
| Razmerje dolžine podpornega profila TP | 50%-95% |
|
| Toleranca | |
| Φd | f8 |
| Φd | H10 |
Primer naročanja
Model: RCS101
Velikost utora: 100x115x10
Material: RC-Pu-H

Vrsta tesnila: RCS101, RCS102, RCS103, RCS104, RCS205, RCS106, RCS107, RCS108, RCS117, RCS121
Glavna uporaba: Primerno za hidravlične in pnevmatske cilindre
Prednosti: stabilno vdelavo v utor, široko temperaturno območje, odlična statična in dinamična zmogljivost tesnjenja, močna sposobnost ekstrakcije olja v dinamičnih pogojih.
Material: poliuretan, guma
| Primeri za tesnilo | Sledijo standardne dimenzije utora (prah poljubne velikosti v območju velikosti lahko ustvarite) | ||||||||
![]() |
![]() |
Φd | Φd | L | c/s | Največja ekstruzijska vrzel | |||
| 100Bar | 250Bar | 400Bar | |||||||
| 5-24.9 | ΦD+8 | 6.3 | 4 | 0.50 | 0.35 | 0.25 | |||
| 25-49.9 | ΦD+10 | 8 | 5 | 0.50 | 0.35 | 0.25 | |||
| 50-149.9 | ΦD+15 | 10 | 7.5 | 0.50 | 0.35 | 0.25 | |||
| 150-229.9 | ΦD+20 | 14 | 10 | 0.50 | 0.35 | 0.25 | |||
| 300-499,9 | ΦD+25 | 17 | 12.5 | 0.50 | 0.35 | 0.25 | |||
| 500-699.9 | ΦD+30 | 25 | 15 | 0.50 | 0.35 | 0.25 | |||
| > 700 | ΦD+40 | 32 | 20 | 0.60 | 0.40 | 0.30 | |||
| > 1000 | ΦD+50 | 40 | 25 | 0.70 | 0.50 | 0.40 | |||

RCS109
Velikost naročila
Φd ...... Zunanji premer
Φd ...... notranji premer
L ...... Groove širina
|
Površinski zaključek |
R tmax (μm) |
Ra (μm) |
|
Drsna površina, ki ustreza gumijastim/poliuretanskim tesnilom Drsna površina, ki ustreza PTFE tesnilom |
≤2.5
≤2 |
≤0.1-0.5
≤0.05-0.3 |
|
Dno utor Groove stran |
≤6.3 ≤15 |
≤1.6 ≤3 |
|
Razmerje dolžine podpornega profila TP |
50%-95% |
|
|
Toleranca |
|
|
Φd |
f8 |
|
Φd |
H10 |
Primer naročanja
Model: RCS109
Velikost utora: 100x115.1x6.3
Material: PTFE3+NBR

Vrsta tesnila: RCS109
Glavna uporaba: inženirska vozila, kmetijski stroji, žerjavi, morska hidravlična oprema, obdelovalna naprava.
Prednosti: Nizko trenje, brez lezenja, visoka odpornost na obrabo, le dobra anti-ekstruzijska zmogljivost, dobra toplotna prevodnost, stabilen vgraden utor, širok temperaturni razpon.
Material: tetrafluoroetilen, nitrilna guma ali fluor guma
|
Primeri za tesnilo |
Sledijo standardne dimenzije utora (prah poljubne velikosti v območju velikosti lahko ustvarite) |
||||||||
|
|
|
Φd |
Φd |
L |
c/s |
Največja ekstruzijska vrzel |
|||
|
100Bar |
200Bar |
400Bar |
|||||||
|
5-7.9 |
ΦD+4.9 |
2.2 |
2.45 |
0.30 |
0.20 |
0.15 |
|||
|
8-18.9 |
ΦD+7.3 |
3.2 |
3.64 |
0.40 |
0.25 |
0.15 |
|||
|
19-37.9 |
ΦD+10.7 |
4.2 |
5.35 |
0.40 |
0.25 |
0.20 |
|||
|
38-199.9 |
ΦD+15.1 |
6.3 |
7.55 |
0.50 |
0.30 |
0.20 |
|||
|
200-255.9 |
ΦD+20.5 |
8.1 |
10.25 |
0.60 |
0.35 |
0.25 |
|||
|
256-649.9 |
ΦD+24 |
8.1 |
12 |
0.60 |
0.35 |
0.25 |
|||
|
650-1000 |
ΦD+27.3 |
9.5 |
13.65 |
0.70 |
0.50 |
0.30 |
|||
|
> 1000 |
ΦD+38 |
13.8 |
19 |
1.00 |
0.70 |
0.50 |
|||

RCS110-112
Velikost naročila
Φd ...... Zunanji premer
Φd ...... notranji premer
L ...... Groove širina
|
Površinski zaključek |
R tmax (μm) |
Ra (μm) |
|
Drsna površina, ki ustreza gumijastim/poliuretanskim tesnilom Drsna površina, ki ustreza PTFE tesnilom |
≤2.5
≤2 |
≤0.1-0.5
≤0.05-0.3 |
|
Dno utor Groove stran |
≤6.3 ≤15 |
≤1.6 ≤3 |
|
Razmerje dolžine podpornega profila TP |
50%-95% |
|
|
Toleranca |
|
|
Φd |
f8 |
|
Φd |
H10 |
Primer naročanja
Model: RCS110-112
Velikost utora: 100x120x32
Material: RC-Pu-H+POM

Vrsta tesnila: RCS110-112, RCS126-128
Glavna uporaba: za težke industrijske stroje, stiskalnice
Prednosti: Primerno za stare batne palice, odprt tip Enostaven za namestitev Creeper
Material: poliuretan, polioksimetilen, najlon
|
Primeri za tesnilo |
Sledijo standardne dimenzije utora (prah poljubne velikosti v območju velikosti lahko ustvarite) |
|||||
|
|
|
Φd |
Φd |
L |
c/s |
|
|
10-39.9 |
ΦD+10 |
16 |
5 |
|||
|
40-74.9 |
ΦD+15 |
25 |
7.5 |
|||
|
75-149.9 |
ΦD+20 |
32 |
10 |
|||
|
150-199.9 |
ΦD+25 |
40 |
12.5 |
|||
|
200-299.9 |
ΦD+30 |
50 |
15 |
|||
|
300-599,9 |
ΦD+40 |
63 |
20 |
|||
|
> 600 |
ΦD+40 |
80 |
20 |
|||
|
> 1000 |
ΦD+50 |
100 |
25 |
|||

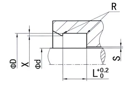
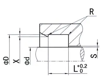
RCS119
Velikost naročila
Φd ...... Zunanji premer
Φd ...... notranji premer
L ...... Groove širina
|
Površinski zaključek |
R tmax (μm) |
Ra (μm) |
|
Drsna površina, ki ustreza gumijastim/poliuretanskim tesnilom Drsna površina, ki ustreza PTFE tesnilom |
≤2.5
≤2 |
≤0.1-0.5
≤0.05-0.3 |
|
Dno utor Groove stran |
≤6.3 ≤15 |
≤1.6 ≤3 |
|
Razmerje dolžine podpornega profila TP |
50%-95% |
|
|
Toleranca |
|
|
Φd |
f8 |
|
Φd |
H10 |
Primer naročanja
Model: RCS119
Velikost utora: 100x109.4x7.1
Material: PTFE2+NBR

Vrsta tesnila: RCS119
Glavna uporaba: Kemična industrija, hitri cilindri in stroji za pozicioniranje. Živilska industrija, farmacevtska industrija.
Prednosti: odporne na visoke temperature in različne kemične medije, nizki koeficient trenja, brez lezenja, dobre značilnosti suhega trenja, nizke statične in trenja.
Material: PTFE+listna vzmet
|
Primeri za tesnilo |
Sledijo standardne dimenzije utora (prah poljubne velikosti v območju velikosti lahko ustvarite) |
|||||||||
|
|
|
Φd |
Φd |
L |
R |
X |
Največja ekstruzijska vrzel |
|||
|
100Bar |
200Bar |
400Bar |
||||||||
|
10-19.9 |
D+4.5 |
3.6 |
0.4 |
0.6 |
0.15 |
0.10 |
0.07 |
|||
|
20-39.9 |
D+6.2 |
4.8 |
0.6 |
0.7 |
0.20 |
0.15 |
0.08 |
|||
|
40-119.9 |
D+9.4 |
7.1 |
0.8 |
0.8 |
0.25 |
0.20 |
0.10 |
|||
|
120-1000 |
D+12.2 |
9.5 |
0.8 |
0.9 |
0.30 |
0.25 |
0.12 |
|||
|
> 1000 |
D+19.0 |
15 |
0.8 |
0.9 |
0.50 |
0.40 |
0.20 |
|||



















































































Naslov
No.1 Ruichen Road, Dongliuting Industrial Park, Chengyang District, Qingdao City, Shandong Province, Kitajska
Tel
E-naslov