Ruichen je v ospredju inovacije tehnologije za tesnjenje. Neodvisno razvita visoka tlačna prašna tesnila natančno zasidrajo zahteve, ki so odporni na prah, in uporabljajo PTFE prašne obroče in O-obroče, da ustvarijo odlično zaščito. Pri delu O-obroč uporablja stabilno prednapetost za kompenzacijo obrabe PTFE obroča, kar zagotavlja dolgoročno stabilnost tesnila; Prašni obroč uporablja materiale proti obrabih, da se močno upira invaziji prahu. Na primer, v sklepih hidravličnih jeklenk gradbenih strojev, ki so obrnjeni na prah na gradbišču, visokotlačni tesnilniki prahu učinkovito blokirajo vdor prahu in zagotavljajo nemoteno delovanje valja; Znavalna nihajna povezava robotske roke avtomatizirane proizvodne linije, njena prašna tesnila ščitijo natančne dele pred motenjem prahu in vzdržujejo visoko natančnost; in spiralno prevozno napravo rudarske opreme v okolju rudnega prahu, visokotlačni tesnilniki prahu zagotavljajo stabilno delovanje opreme, zmanjšajo potencialne napake in podaljšajo življenjsko dobo opreme. Ruichen tesnjenje se že dolgo osredotoča na poglobljen razvoj. Sklicevanje na profesionalno ekipo in vrhunske zmogljivosti ne more samo prilagoditi visokozmogljive materiale za tesnjenje v skladu s potrebami kupcev in neodvisno nadzorovati kakovost proizvodnje, ampak tudi rezervirati bogate in raznolike materiale, kot je polioksimetilen, pri čemer strankam pomagajo premagati različne težave s tesnjenjem v enem zaustavitvi in sodelujejo, da bi dosegli nove višine v industriji.
Delovni pogoji za tesnjenje prahu
| Profil | Model | Temperatura (℃) | Hitrost (m/s) | Mediji |
![]() |
RCF01 | -35 ~+100 (ujemanje O-obroča NBR) | 6 | Hidravlično olje, emulzija, voda itd. |
| -20 ~+200 (ujemanje O-obroča FKM) | ||||
![]() |
RCF02 | -35 ~+100 (ujemanje O-obroča NBR) | 6 | Hidravlično olje, emulzija, voda itd. |
| -20 ~+200 (ujemanje O-obroča FKM) | ||||
![]() |
RCF03 | -35 ~+100 (ujemanje O-obroča NBR) | 6 | Hidravlično olje, emulzija, voda itd. |
| -20 ~+200 (ujemanje O-obroča FKM) | ||||
![]() |
RCF04 | -35 ~+100 (ujemanje O-obroča NBR) | 6 | Hidravlično olje, emulzija, voda itd. |
| -20 ~+200 (ujemanje O-obroča FKM) | ||||
![]() |
RCF05 | -35 ~+100 (ujemanje O-obroča NBR) | 6 | Hidravlično olje, emulzija, voda itd. |
| -20 ~+200 (ujemanje O-obroča FKM) |
Primer naročanja:
Naročite model RCF01-80-PTFE3-R01
RCF01-model premer 80-SHAFER PTFE3-Universal Modified PTFE R01 Ujemanje kode gume Materiala
Nitrila guma (NBR) -R01 FluoroRubber (FKM) -R02
Naročite model RCF02-80-PTFE3-R01
RCF02-model premer 80-SHAFER PTFE3-Generalno spremenjeno ptfer01 ujemanje gumijaste kode materiala
NBR (NBR) -R01 Fluororubber (FKM) -R02
Naročite model RCFO3-80-PTFE3 -R01
RCF03-model premer 80-shaft premer ptfe3-splošnega spremenjenega PTFE R01 ujemanje gumijaste kode materiala
Nitrila guma (NBR) -R01 FluoroRubber (FKM) -R02
Naročite model RCF04-80-PTFE3-R01
RCF04-model premer 80-shaft premera PTFE3-General spremenjeni PTFE R01 ujemanje gumijaste kode materiala
Nitrila guma (NBR) -R01 FluoroRubber (FKM) -R02
Naročite model RCF04-80-PTFE3-R01
RCF04-model premer 80-shaft premera PTFE3-General spremenjeni PTFE R01 ujemanje gumijaste kode materiala
Nitrila guma (NBR) -R01 FluoroRubber (FKM) -R02
Naročite model RCF05-80-PTFE3-R01
RCF05-model premer 80-shaft premer PTFE3-Generalno spremenjeno PTFE R01 ujemanje gumijaste kode materiala
Nitrila guma (NBR) -R01 FluoroRubber (FKM) -R02
Specifikacije:
| Specifikacije RCF01 (izdelki katere koli velikosti v območju parametrov lahko zagotovite) | ||||||
| Območje premera gredi d f8 |
Premer žleba D H9 |
Širina žleba L+0.2 |
Odprti premer luknje D1 H11 |
Odprta širina luknje a≥ |
Zaobljene vogale R≤ |
Premer žice O-obroč d0 |
| 19 ~ 39 | D+7.6 | 4.2 | D+1,5 | 3 | 0.8 | 2.65 |
| 40 ~ 69 | D+8.8 | 6.3 | D+1,5 | 3 | 0.8 | 2.65 |
| 70 ~ 139 | D+12.2 | 8.1 | D+2.0 | 4 | 0.8 | 3.55 |
| 140 ~ 399 | D+16.0 | 9.5 | D+2,5 | 5 | 1.5 | 5.30 |
| 400 ~ 649 | D+24.0 | 14 | D+2,5 | 8 | 1.5 | 7.00 |
| 650 ~ 1500 | D+27.3 | 16 | D+2,5 | 10 | 2.0 | 8.60 |
| RCF02, RCF03 Specifikacijske tabele (izdelki katere koli velikosti v območju parametrov lahko zagotovite) | ||||||
| Območje premera gredi d f8 |
Premer žleba D H9 |
Širina žleba L+0.2 |
Odprti premer luknje D1 H11 |
Odprta širina luknje a≥ |
Zaobljene vogale R≤ |
Premer žice O-obroč d0 |
| 4 ~ 11 | D+4.8 | 3.7 | D+1,5 | 2 | 0.4 | 1.8 |
| 12 ~ 64 | D+6.8 | 5 | D+1,5 | 2 | 0.7 | 2.65 |
| 65 ~ 250 | D+8.8 | 6 | D+1,5 | 3 | 1.0 | 3.55 |
| 251 ~ 420 | D+12.2 | 8.4 | D+2.0 | 4 | 1.5 | 5.30 |
| 421 ~ 650 | D+16.0 | 11 | D+2.0 | 4 | 1.5 | 7.00 |
| 651 ~ 1500 | D+20.0 | 14 | D+2,5 | 5 | 2.0 | 8.60 |
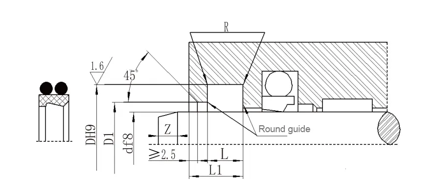
| Tabela parametrov specifikacij RCF04 (zagotoviti je mogoče izdelke poljubne velikosti v območju parametrov) | ||||||
| Območje premera gredi d f8 |
Premer žleba Dh9 |
Premer koraka D1 H11 |
Širina žleba L+0.2 |
Skupna širina L1 |
Okrogli vogali RMAX | Dolžina premera Zmin |
| 20 ~ 39,9 | D+7.6 | D+1 | 4.2 | 8.2 | 0.4 | 3 |
| 40 ~ 69,9 | D+8.8 | D+1,5 | 6.3 | 10.3 | 1.2 | 4 |
| 70 ~ 139,9 | D+12.2 | D+2.0 | 8.1 | 12.1 | 2 | 6 |
| 140 ~ 399,9 | D+16.0 | D+2.0 | 11.5 | 15.5 | 2 | 8 |
| 400 ~ 649,9 | D+24.0 | D+2,5 | 15.5 | 19.5 | 2 | 10 |
| 650 ~ 1000 | D+27.3 | D+2,5 | 18.0 | 23.0 | 2 | 12 |
| Tabela parametrov specifikacij RCF05 (zagotoviti lahko je mogoče izdelke poljubne velikosti v območju parametrov) | ||||||
| Območje premera gredi d f8 | Premer žleba Dh9 | Premer koraka D1 H11 | Širina žleba L+0.2 |
Stranska širina L1 |
Okrogli vogali RMAX |
Dolžina premera Zmin |
| 100 ~ 229 | D+22.2 | D+10.7 | 6.3 | 4.2 | 1.2 | 6 |
| 230 ~ 299 | D+24.2 | D+10.7 | 6.3 | 4.2 | 1.2 | 8 |
| 300 ~ 629 | D+33.0 | D+15.1 | 8.1 | 6.3 | 1.2 | 10 |
| 630 ~ 1000 | D+36.5 | D+15.1 | 9.5 | 6.3 | 2 | 12 |
Vloga:
V glavnem se uporabljajo v kmetijskih strojih, hidravličnih stiskalnicah, strojih za oblikovanje vbrizgavanja, hidravličnih krmilnih sistemih, viličarjih, valjčnih stiskalnicah, žerjavih, nakladalnih in raztovarjanju strojev itd.











Naslov
No.1 Ruichen Road, Dongliuting Industrial Park, Chengyang District, Qingdao City, Shandong Province, Kitajska
Tel
E-naslov